Название проекта : Емілі
33,300грн - Одноэтажный
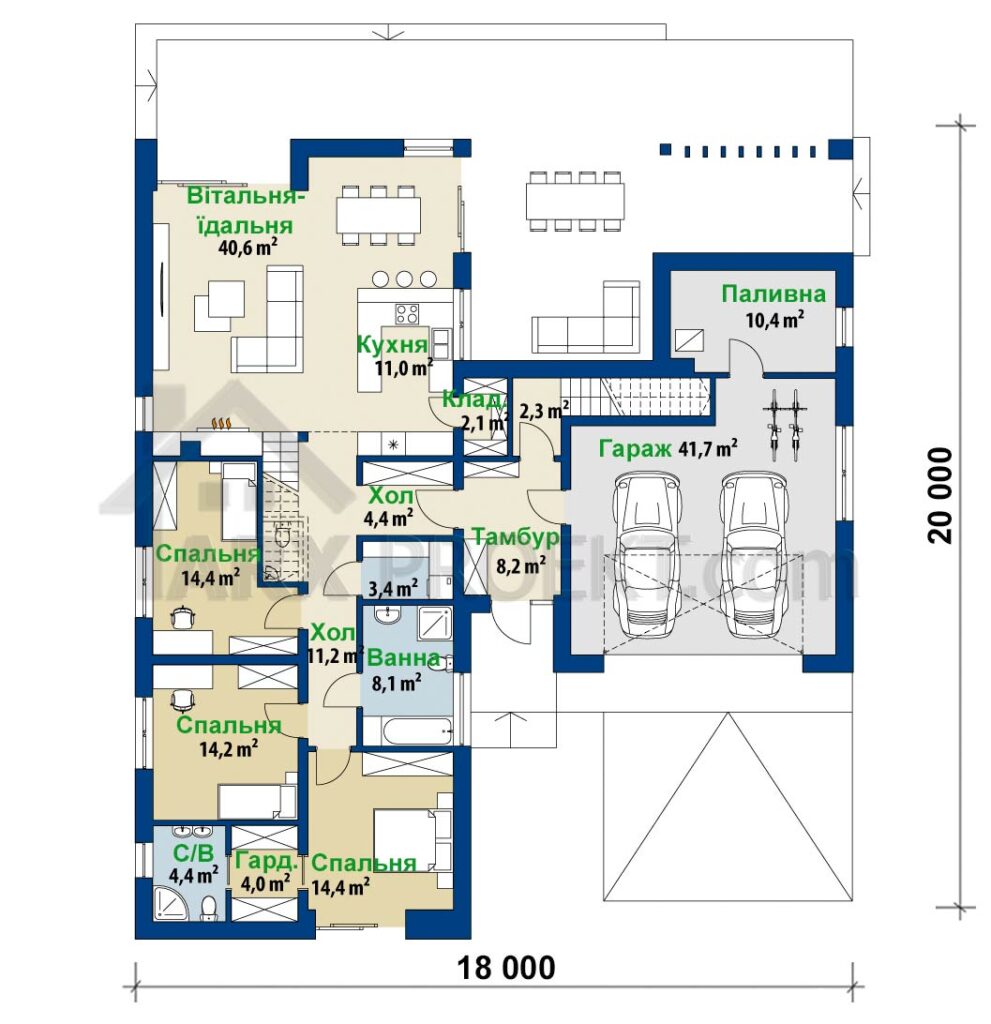
Общая площадь — 194,8 м² + 69,3 м²(чердак)
Жилая площадь — 83,6 м²
Габариты дома – 20,00 м (длина)
Габариты дома – 18,00 м (ширина)
Материал фундамента – монолитный железобетон
Материал стен – газоблок
Материал перекрытия – деревянное.
Конструкция крыши – стропильная
Материал кровли – фальц
Отделка фасада – штукатурка, дерево, камень
Отделка цокольного этажа – фактурная штукатурка
Зеркальное отражение – да
Этажность — 1+ чердак
Гараж – на 2 авто
Возможность заказать проект в другом материале – кирпич, керамоблок.
Количество жилых комнат – 4
Бассейны – нет
Сауна – нет
Камин – да
Зимний сад – нет
Терраса – да
Второй свет – да
Комплектация проекта – архитектура, конструкция
Компания: ARXproekt
Описание проекта: Проект одноэтажного дома 195 м², с эксплуатируемым чердаком, гаражом на два авто, камином, вторым светом и террасой в стиле барнхаус
Неиспользуемый чердак можно превратить в жилую площадь в рамках адаптации. Это решение идеально подходит для молодежи – на первом этапе строительства может быть закончен только первый этаж, идеально отвечающий потребностям семьи из 3-4 человек, в последующие годы, когда потребности растут, увеличивают жилое пространство на чердаке. Чердак над гаражом с отдельным выходом и может быть кабинетом или частью жилья для гостей. На первом этаже дома разработана гостиная, связанная со столовой и кухней. Возле кухни есть кладовая. Есть также отдельная прачечная и ванная.
Ночная зона три спальни. В основной спальне есть отдельный гардероб и С/У.
Хозяйственная часть – гараж на две машины и просторная топливная.
На неиспользованной мансарде, в рамках адаптации проекта, можно разделить просторную комнату и отдельную антресоль со вторым светом, как зону отдыха. В части над гаражом – отдельное закрытое пространство с С/В.
Архпроект






