Название проекта : Мелані
28,120грн - С плоской крышей, Одноэтажный
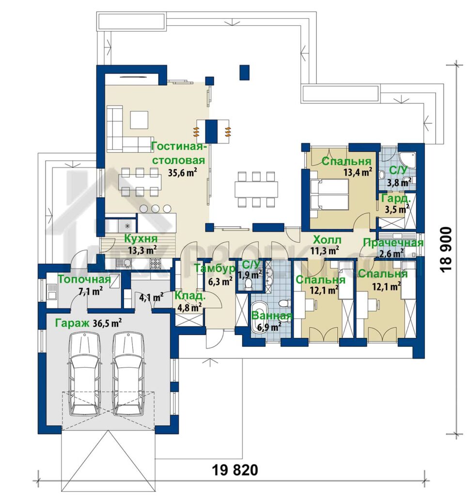
Общая площадь — 175,3 м²
Жилая площадь — 73,2 м²
Габариты дома — 18,9 м (длина)
Габариты дома — 19,82 м (ширина)
Материал фундамента — монолитный ленточный железобетон
Материал стен — газоблок 400мм
Материал перекрытия — монолитный железобетон
Конструкция крыши — плоская крыша
Материал кровли — битумное покрытие
Отделка фасада — штукатурка, термодошка
Отделка цокольного этажа — штукатурка
Зеркальное отражение — да
Этажность — 1
Гараж — для 2 авто
Возможность заказать проект в другом материале — кирпич, керамоблок
Количество жилых комнат — 4
Бассейны — нет
Сауна — нет
Камин — да
Зимний сад — нет
Терраса — да
Второй свет — нет
Комплектация проекта — архитектура, конструкции
Компания ARXproekt
Описание проекта: Проект современного одноэтажного дома 175 м.кв. с плоской крышей, гаражом на 2 авто, камином и крытой террасой.
Дневная зона — кухня с барной стойкой и выходом во двор, столовая и гостиная с выходом на террасу. В кухню можно попасть также из гаража через топливную и внешний вход. В гостиной есть двусторонний камин, который выходит на террасу. Из холла также небольшой санузел и рядом ванная комната.
Ночная зона отделена и состоит из трех спален с входом из отдельного холла, прачечной. Большая спальня с отдельной ванной и гардеробной комнатами.
Хозяйственная зона состоит из гаража для 2-х авто и топливной с выходом во двор.
Архпроект






